文库 安全生产/应急管理 目标及职责 责任书

安全生产目标及各部门指标考核办法.docx

付费文档 积分文档 DOCX   13页   下载24   2024-04-29   浏览18491   收藏24   点赞23   评分-   6082字   80积分
温馨提示:当前文档最多只能预览 6 页,若文档总页数超出了 6 页,请下载原文档以浏览全部内容。
安全生产目标及各部门指标考核办法.docx 第1页
安全生产目标及各部门指标考核办法.docx 第2页
安全生产目标及各部门指标考核办法.docx 第3页
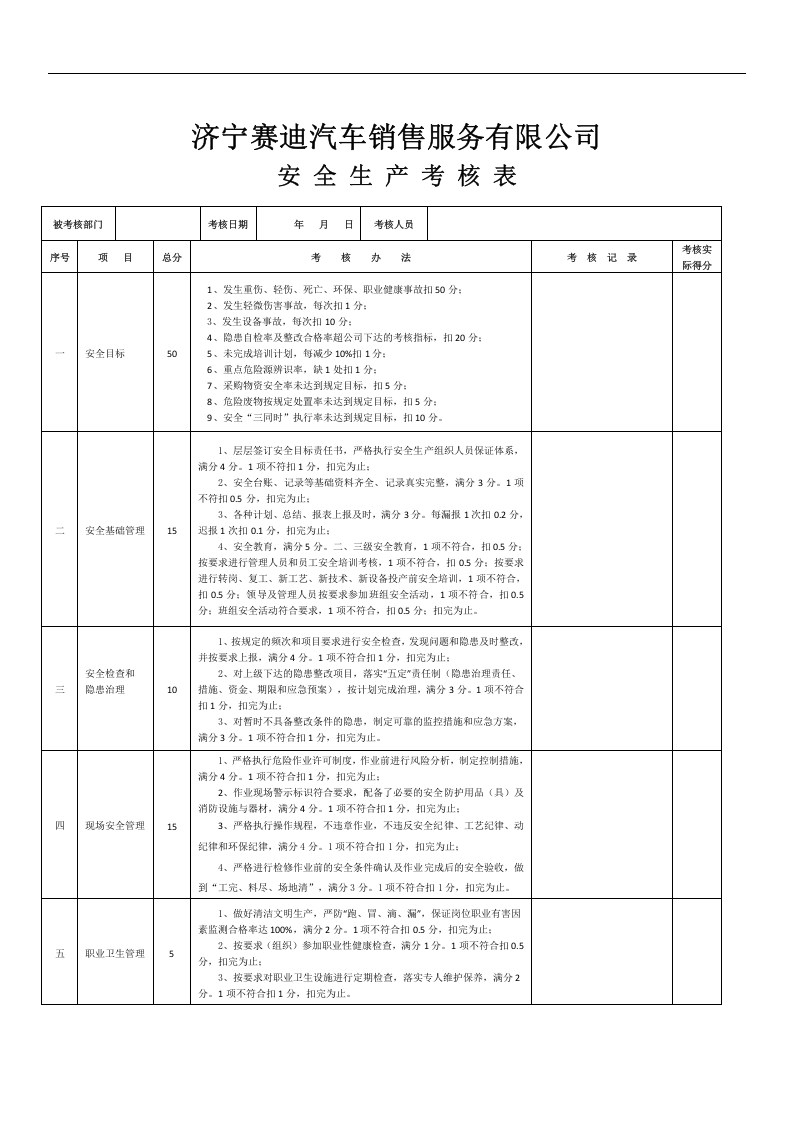
安全生产目标及各部门指标考核办法.docx 第4页
安全生产目标及各部门指标考核办法.docx 第5页
安全生产目标及各部门指标考核办法.docx 第6页
剩余7页未读, 下载浏览全部
公司安全生产目标 、分解及 考核办法 序号 部门 安全目标(指标) 考核部门 周期 考 核 办 法 时间要求 1 公司 1、伤亡事故为零; 安全领导小组 季度 根据《事故报告》记录的信息 次季度10日前 2、设备事故为零; 安全领导小组 季度 根据《事故报告》记录的信息 次季度10日前 3、火灾事故为零; 安全领导小组 季度 根据《事故报告》记录的信息 次季度10日前 4、治安事故为零; 安全领导小组 季度 根据《事故报告》记录的信息 次季度10日前 5、爆炸事故为零; 安全领导小组 季度 根据《事故报告》记录的信息 次季度10日前 6、交通事故为零; 安全领导小组 季度 根据《事故报告》记录的信息 次季度10日前 7、环境污染事故为零。 安全领导小组 季度 根据《事故报告》记录的信息 次季度10日前 8、职业病发病率为零 安全领导小组 季度 根据职业健康体检报告记录的信息 次季度10日前 2 安全管理办公室 1 .安全、环保、职业健康 安全零事故 安全领导小组 季度 根据《事故报告》记录的信息 次季度10日前 2 . 按计划参加培训率达90% 安全领导小组 季度 根据《培训记录》记录的信息 次季度10日前 3 . 安全设施设备完好率达100% 安全领导小组 季度 根据周、月、季检查记录的信息 次季度10日前 4.日常巡护、安全检查有效率100% 安全领导小组 季度 根据检查记录的信息 次季度10日前 5.安全教育培训计划完成率100% 安全领导小组 季度 根据《培训记录》记录的信息 次季度10日前 6.公司重点危险源辨识率100% 安全领导小组 季度 根据《重点危险源登记表》记录的信息 次季度10日前 7.危险废物按规定处置率100% 安全领导小组 季度 根据危险废物管理台帐的信息 次季度10日前 8 . 新改扩建项目“三同时”实现率100% 安全领导小组 季度 根据项目验收情况的信息 次季度10日前 3 设备技术部 1.安全、环保、职业健康安全零事故
安全生产目标及各部门指标考核办法.docx
下载提示

欢迎注册登陆领取积分/会员免费下载--获取途径:

1.上传文档获得2积分      2.签到获取。  3.个人中心获取邀请链接邀请好友获取积分   4.参加首页活动免费获取7天/90天会员

AI助手联系客服