登录
内容
内容
文库
首页
分类
文库专题
文档悬赏
文库移动端
网盘资源
标签库
智安生态
资讯
AI助手
智安导航
智安培训
考培中心
VIP
签到
文库
安全生产/应急管理
现场管理
各类台账
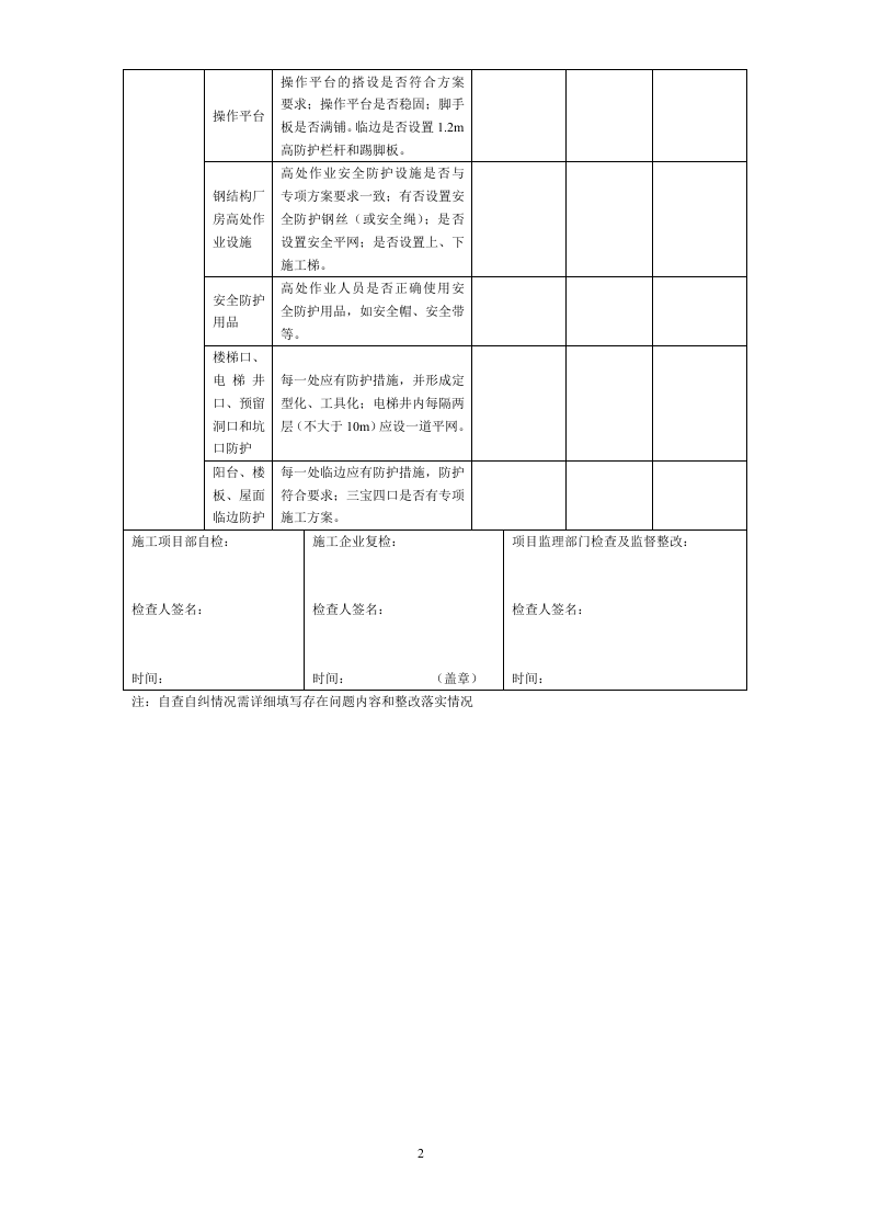
防止高处坠落措施检查表.doc
付费文档
积分文档
DOC
17页
下载0
2023-12-10
浏览548
收藏0
点赞0
评分-
50积分
温馨提示:当前文档最多只能预览 6 页,若文档总页数超出了 6 页,请下载原文档以浏览全部内容。
剩余11页未读,
下载浏览全部
收藏
已收藏
文档描述
防止高处坠落措施检查表.doc
下载提示
欢迎注册登陆领取积分/会员免费下载--获取途径:
1.上传文档获得2积分 2.签到获取。 3.个人中心获取邀请链接邀请好友获取积分 4.参加首页活动免费获取7天/90天会员
AI助手
|
联系客服
国泰民安
这个人很懒,什么都没留下
个人认证
查看用户
该文档于
上传
推荐文档
最新文档
特殊脚手架验收单.docx
施工现场临时用电验收单.docx
脚手架搭设验收单.docx
资料审核表.docx
职业病诊断鉴定申请表.docx
应急部署表 (货船) .docx
乙烯改扩建主要危险源辩识、风险评价、风险控制策划表.docx
悬挑式脚手架验收记录表.docx
文明施工技术要求和验收表.docx
危险化学品生产企业安全生产许可证注销申请表.docx
您正在使用低版本浏览器,为了获得更良好的体验,建议您升级浏览器,为您推荐:
谷歌浏览器
火狐浏览器
360浏览器
×
文库主页
上传文档
智安导航
安全资讯
智安ai
智安培训