登录
内容
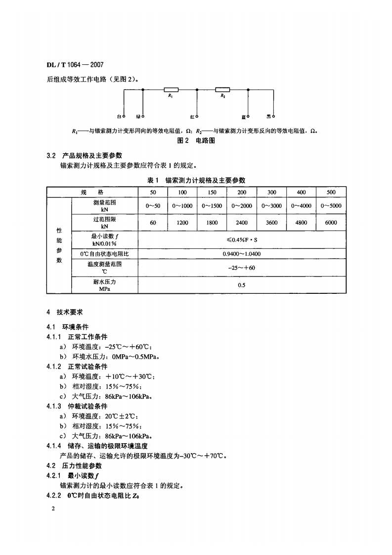
内容
文库
首页
分类
文库专题
文档悬赏
文库移动端
网盘资源
标签库
智安生态
资讯
AI助手
智安导航
智安培训
考培中心
VIP
签到
文库
法规规章标准库
电气电力
DLT1064-2007 差动电阻式锚索测力计.pdf
付费文档
积分文档
PDF
13页
下载6
2023-08-11
浏览6535
收藏6
点赞2
评分-
40字
10积分
温馨提示:当前文档最多只能预览 5 页,若文档总页数超出了 6 页,请下载原文档以浏览全部内容。
剩余8页未读,
下载浏览全部
收藏
已收藏
文本预览
文档描述
www.17jzw.com www.17bzw.cn www.17jzw.net
查看更多
收起部分
DLT1064-2007 差动电阻式锚索测力计.pdf
下载提示
欢迎注册登陆领取积分/会员免费下载--获取途径:
1.上传文档获得2积分 2.签到获取。 3.个人中心获取邀请链接邀请好友获取积分 4.参加首页活动免费获取7天/90天会员
AI助手
|
联系客服
建安泰
这个人很懒,什么都没留下
未认证用户
查看用户
该文档于
上传
推荐文档
最新文档
GBT 33599-2017 光伏发电站并网运行控制规范.pdf
GBT 16895.32-2008 建筑物电气装置 第7-712部分:特殊装置或场所的要求 太阳能光伏(PV)电源供电系统.pdf
征求-手持式非电类动力工具 安全要求 第5部分:回转冲击式钻孔工具.pdf
GBT 15092.4-2023 器具开关 第2-4部分:独立安装开关的特殊要求.pdf
GB∕T 6451-2023 油浸式电力变压器技术参数和要求.pdf
GB_T 43343-2023_高压绝缘电阻表.pdf
GB_T 43342-2023 带有远程操作功能的家用和类似用途电器自动控制器的安全要求.pdf
GB_T 42729-2023 锂离子电池和电池组安全使用指南.pdf
GB_T 20638-2023 步进电动机通用技术规范.pdf
GB_T 20138-2023 电器设备外壳对外界机械碰撞的防护等级(IK代码).pdf
您正在使用低版本浏览器,为了获得更良好的体验,建议您升级浏览器,为您推荐:
谷歌浏览器
火狐浏览器
360浏览器
×
文库主页
上传文档
智安导航
安全资讯
智安ai
智安培训